LY-系列 一点通淋浴节水控制器
安装和使用本产品前,请先确认您所购买的产品型号及相应的安装方法,详细阅读本说明书,以便正确安装和使用。
此说明书及所附的质量保修卡,应长期妥善保管,以便日后查阅和维修。
购货前请确定产品组合型号。
1.LY-03B(指触式,不锈钢阀)
2.LY-03S(指触式, POM阀)图1a
3.LY-03B-Z(手感式,不锈钢阀)
4.LY-03S-Z(手感式,POM阀)图1b

一、用途及特点
本系列产品是专为公共洗浴场所的节能节水设计。具有自动延时停水和随时手动停水的双重功能。洗浴者只要用手指触摸(指触式)或在控制器的感应区前用手遮挡(手感式)一下,就可淋浴。正在出水时如想停止淋浴,可再触摸或遮挡一下感应区,终止出水。不触摸或遮挡时,控制器延时60秒后自动停水,如果继续淋浴可再次触摸。
浴池应用本产品,可节省水、电、煤及设备损耗费用40%以上,同时具有可靠、耐用、高雅、美观等优点,是手动阀、脚踏阀的理想替代产品。一般3~6个月可收回投资,一次投入,长期受益。低电压供电,不存在安全问题。如原为双管双温供水,必须先改造为单管恒温供水。
二、主要特点
和国内同类产品相比,其特点是:
● 洗浴时身体部位不受限制。
● 弯腰洗腿部时仍可正常出水。
● 不受水质困扰,采用不锈钢电磁阀,可以实现三年免维护使用。
● 产品有明、暗两种镶装方式,适合不同用户选用。
三、主要技术指标
1.电源(图2)。

●多套淋浴器共用同一电源适配器供电,其特性为:
输入:交流220V/50HZ
输出:直流24V(不锈钢阀)
直流12V(优质POM阀)
●安全驱动能力:
300W电源适配器可驱动:20~25套淋浴节水器
600W电源适配器可驱动:35~40套淋浴节水器
2.感应控制器。
工作电压:直流24V(不锈钢阀)
直流12V(优质POM阀)
平均功耗:≤ 2W
延时时间:60±1秒(用户可订制)
工作环境温度:1~50℃
工作环境湿度:100%
3.电磁阀。
通 径:DN15
介质温度:1~60℃
工作寿命:≥50万次(POM阀)/100万次(不锈钢阀)
介质压力:0.01~0.5Mpa (POM阀)
0~0.3Mpa(不锈钢阀)
四、安装方法
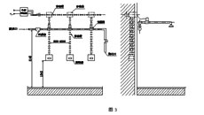
1.暗装式淋浴节水器的安装。
安装时需要与土建和管路安装相配合(详见图3), 将塑料预埋盒及穿线管用水泥固定在墙体内,绝对不允许将引线直接抹在墙内,电源放置在干燥通风无易燃物品处。

特别强调,应在贴磁砖之前统筹设计。
2.明装淋浴节水器的安装(详见图4)。

a.用冲击钻在墙体距地面1.2~1.4米适当位置打孔,将控制器预埋盒固定。
b.连接电磁阀及导线。
c.整理裸露在墙体表面的导线,用塑料导线槽加以保护。
3.电源适配器安装。
电源适配器安装在吧台、更衣室等干燥通风无易燃物处,应与控制器距离接近,以减少压降,必须将电源适配器接地引线与“地”可靠连接。
4.感应控制器的装配(详见图5)。

5.控制器的电气接线图。
a. 配不锈钢阀时接线方法(详见图6)。控制器红线接电源+24V,黑线接0V。黄、蓝线接电磁阀,电磁阀引线不分正负。

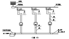
b. 配POM阀时接线方法(详见图7)。控制器红线接电源+12V, 黑线接0V,黄、蓝线接电磁阀,电磁阀引线不分正负。

五、注意事项
1.安装前应先将管道内杂质冲洗干净;
2.安装电磁阀时应将箭头方向与水流方向一致;
3.不要带电安装或作业,检查无误后方可通电;
4.在淋浴主管道前部加装过滤器或在末端安装排污阀以便清除管道内杂质;
5.直流稳压电源应安装在干燥通风环境,并使外壳可靠接地;
6.如果使用温泉水或水中矿物质含量大,需定期清理电磁阀和滤网;
7.控制器的感应窗口必须保持清洁,可用柔软湿布擦拭,清洗浴池应避免用水直接冲洗控制器;
8.接线时一定要严格按照接线图进行接线,不清楚时,要立即与厂家沟通,否则,可能造成永久损坏;
9.电线接头处必须符合《公共浴池安装接线规范》,在绞合后进行锡焊,套上压线帽,用钳子压紧后灌703硅胶,这直接关系到产品的使用寿命。
六、常见故障排除
1.常流水。
a.请检查电磁阀上的箭头与水流方向是否一致,不一致时应重装。
b.断开电源后继续常流水,多为电磁阀芯被杂物垫起或卡死,也可能是膜片上的进水孔被杂质、水垢堵塞,可打开电磁阀进行清理。如果断开电源,常流水停止,属于控制器故障,返厂维修。
2.不流水。
a.请检查电源适配器输入或输出端电压是否正常。
b.检查线路是否有断路或接触不良的地方。
c.将电磁阀与控制器输出断开,触摸或感应控制器,看是否有电压输出,若有输出,则证明电磁阀损坏,请更换电磁阀,若无输出,证明控制器已损坏,请更换控制器。
d.过滤器严重堵塞,请打开过滤器,清洗滤网。
七、保修事项
客户自购买之日起,一年内凭《保修卡》寄厂免费维修。超过保修期只收取少量元件费。如用户使用不当引起损坏,责任由用户负责。购买时请索要最终销售单位盖章的《保修卡》。
八、关于双管双温供水变单管恒温供水方案

本公司提供详细解决方案。
九、其它相关产品
沟槽公厕全自动节水控制器。
单蹲便智能冲洗控制器。
小便斗智能冲洗控制器。
红外感应自动洗手器。
水位自动显示控制器。