

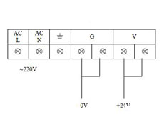
1.控制器一共是4根线,其中,红线接电源+24V,黑线接0V。黄、蓝线接电磁阀,电磁阀是两根线(不分正负)。
2.试水时,绝对不能直接接220V电源。否则,全部烧毁。
3.主线4平方(在控制器下线盒里走主线,串联)。
4.使用不锈钢阀时,供水水压不能超过0.2Mpa。


1.控制器一共是4根线,其中,红线接电源+24V,黑线接0V。黄、蓝线接电磁阀,电磁阀是两根线(不分正负)。
2.试水时,绝对不能直接接220V电源。否则,全部烧毁。
3.主线4平方(在控制器下线盒里走主线,串联)。
4.使用不锈钢阀时,供水水压不能超过0.2Mpa。